![]()
![]()
Click on AL-811H modifications
15-jul-2020 Beelden van het spectrale gedrag toegevoegd.

INLEIDING

Vonkoverslag in een buis van een onbeschermde HF versterker. De krachtige vonk veroorzaakte brand en schroeivlekken en inwendig een gat in het glas.
Een bevriende zendamateur kreeg uit de nalatenschap van een overleden collega een AMERITRON HL-811H HF versterker. Toen hij het apparaat ingeschakelde, volgde een flits en kwam er rook uit. De PA had geen extra bescherming en was jaren lang niet operationeel geweest. Mijn inspectie leverde een verbrande roosterweerstand en een gedeeltelijk geleidende varistor op. Het een en ander zorgde ervoor dat er ruststroom was in de standby mode en de meters voor anode en roosterstroom respectievelijk een positieve en negatieve uitslag vertoonden.
De AL-811H wordt wereldwijd goed verkocht en is best een mooi gebouwde "budget" versterker, maar geenzins reparatie vriendelijk. Om overal bij te komen, moet vrijwel alles gedemonteerd worden. Reparatie door een bedrijf zal flink in de papieren lopen alleen al door de manuren die eraan besteed moeten worden, maar als zendamateur is de tijd kosteloos en kan men er naar believen aan werken.
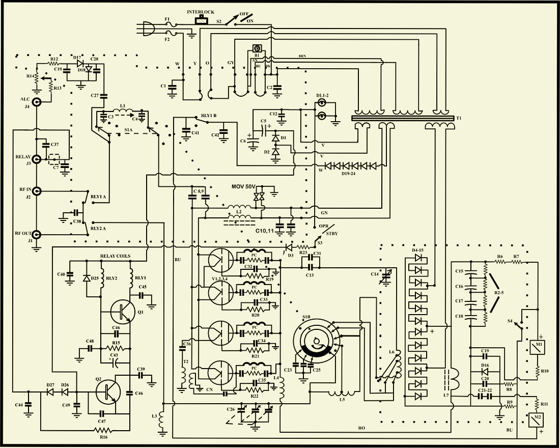
Bij Ameritron zijn ze niet sterk in het tekenen van foutloze («fig) overzichtelijke schema's en zijn daarbij ook niet consequent bij het intekenen van de componenten. Van hetzelfde apparaat circuleren afwijkend getekende schema's. Om het circuit van de meters beter te kunnen volgen heb ik dat anders getekend. Bij een vonkoverslag in de buis kan men zien hoe de 50 Ohm weerstand het loodje legt en een van de varistors gedeeltelijk een geleider werd. D16 dient als bescherming van de meters en gaat ook vaak kapot door een "flash-over".
OVERSLAG BESCHERMING


Al tientallen jaren adviseer ik om een weerstand en zekering in serie met de anodesmoorspoel te monteren als bescherming van buizen, gelijkrichters en transformator tegen vonkdoorslag, dat is een kortstondige kortsluiting (flash-over), in een van de zendbuizen. Het is een goedkope, eenvoudige en bewezen effectieve methode.
Voordat er aan een buizen PA gewerkt wordt, plaats ik altijd als eerste (tijdelijk of permanent) de eerder genoemde bescherming. Als daarbij iets mis gaat, piept de zekering door en de weerstand begrenst de stroom, maar ook de vlamboog over de zekering. Daarom kan een kleine standaard 230 Volt zekering gebruikt worden in plaats van een veel langere echte HV zekering. Het ergste wat gebeurt is een uit elkaar gespatte zekering en soms een doorgebrande weerstand. Dat is niets vergeleken bij een overleden buis, diodes of nog erger een defecte transformator.
Monteer een 10 Ohm/10 W draadgewonden weerstand en verwijder aan de onderkant van de print ferrietkraal L7 (bij L4). De draadgewonden weerstand werkt ook als vervanger van smoorspoel L7.
Als de PA lange tijd niet gebruikt is en weer operationeel gaat worden, haal dan de zekering eruit en laat de versterker een uur lang standby staan. De gloeidraden hebben dan de tijd om de buizen op te warmen zodat ze voldoende gereactiveerd worden. Bij mij is gebleken dat deze tijd voldoende is voor dit type buizen.
Overigens doorslag kan ook ontstaan door parasitair oscilleren hetgeen zijn oorzaak vindt in een verkeerde opstelling van of een inadequate aarding van componenten. Geziende schade in de afgebeelde buis, denk ik dat het ontstaan is door parasitair oscilleren, waarbij een hoge spanning ontstond. De energie kon niet weg via de hoge impedantie van de anodekring en koos dus de kortste weg via de buis.
ROOSTERS OP 1 PUNT AARDEN

Links de originele bedrading en rechts alle roosters direct op één punt, de schroef van de anode RFC, geaard.
De buisvoeten werden 180° gedraaid, rooster ontkoppel condensators, weerstanden en ferriet kralen werden verwijderd.


Mijn overtuiging en ervaring is dat wild oscilleren van een versterker met buizen meestal vermindert of voorkomen wordt door het aarden op één centraal punt of door een te lange (om)weg van HF stromen sterk te bekorten. Ontwerpers gaan er teveel van uit dat de stroom zich adequaat verplaatst via geschroefde of gelaste mechanische verbindingen. In werkelijkheid is geenzins te voorspellen hoe de circuits zich daadwerkelijk gedragen. Daarom worden in al mijn eigenbouw of gemodificeerde versterkers, zo mogelijk de roosters direct aan aarde gelegd en als het kan via één aardpunt. Dat is als modificatie ook gedaan in deze versterker en het centrale aardpunt is de schroef aan de onderkant van de anode smoorspoel. De buisvoeten werden 180° gedraaid om de afstand van de roosterlip tot het aardpunt zo kort mogelijk te houden.
De HF sturing naar de buizen gaat niet direct op de gloeidraad pennen, maar van de print aan de achterkant door de toevoerdraden van de gloeistroom voeding. Verder is de massa verbinding van de print met massa van de roosters alleen met elkaar verbonden door de langere weg via de chassisdelen. Dat lijkt mij een ongewenste situatie en daarom wordt de HF sturing nu gedaan met een extra coaxkabel van de print naar de gloeidraad pennen. De afscherming van de kabel dient tevens als toevoerleiding naar het centrale aardpunt bij de buizen. Ik hoop dat de tekening de gewijzigde montage zo goed mogelijk weergeeft.
TEGENKOPPELING
De versterker mag met maximaal 75 Watt aangstuurd worden, maar velen van ons hebben een 100 W transceiver. Bij dat vermogen wordt de minste IMD geproduceerd. Door het aanbrengen van een HF stroomtegenkoppeling kan de set zonder enige poespas als stuurzender gebruikt worden. Dat is comfortabel, maar bovendien voorkomt de tegenkoppeling in grote mate het oversturen van de PA en bevordert ook nog in positieve zin het lineaire gedrag! De tegenkoppeling bestaat uit twee parallel geschakelde inductievrije weerstanden van 22 Ohm/3.5 W tussen bandschakelaar S1A en de kathodes (gloeidraden). Het zal duidelijk zijn dat ik het type weerstand toevallig nog had liggen! Omdat zij groot zijn, was er weinig plaats was bij de buisvoeten. Daarom werden zij gemonteerd tussen de bandschakelaar S1A en de coaxkabel naar de kathodes. Optimaal is plaatsing tussen coax en C8 en C9, maar door de geringe lengte van het coaxkabeltje bleek de uitgevoerde montage goed te werken. Hoe meer sturing men geeft hoe meer er tegenkoppeling is. Met 40 W komt er ongeveer 400 W uit en met 100 W is het zendvermogen op de lagere banden 600 à 700 W. Op Internet wordt nog meer vermogen geclaimd, maar dat is vaak gebaseerd is op een netspanning van 240 - 260 V. Bij ons is dat momenteel nog geen 230 Volt.
EXTRA ONTKOPPEL CONDENSATOR

In de versterker wordt de anodesmoorspoel (L4) ontkoppelt met C21 en C22. Alleen gebeurt dat niet aan de voet van L4 maar behoorlijk verder op de print van de HV voeding. Of de ontwerper van de PA, een Amerikaans ham, dat bedacht heeft of het een besluit was van de produktie afdeling blijft een raadsel. Want naar mijn idee is het vragen om moeilijkheden en beter is om de HF-weg te bekorten door een extra 4n7 condensator aan de voet van L4 te monteren.
Verder werd de bodemschroef van de plate condensator (C26) met een korte draad verbonden met de schroef van L4, zodat de tuning condensator een kortere weg heeft naar het centrale aardpunt en niet via een langere omweg.
Alle eerder getoonde veranderingen hebben de versterker veel stabieler gemaakt. Dat kan men bij elke buizen PA testen door het te belasten met een dummyload en zonder sturing met de PTT aan te zetten. Door per band steeds aan de Plate en Load condensator te draaien, kijkt u of de anodestroom of roosterstroom meter enige uitslag vertonen. Als dat er niet is, dan mag men aannemen dat de PA behoorlijk stabiel is.
De standen van Plate en Load zullen door de modificaties ook anders worden dan u gewend was.
NEUTRODYNISATIE
De versterker is qua stabiliteit verbeterd door het principe van: "op één punt aarden". Ook met drie buizen van hetzelfde merk en één buis van een andere fabrikant. Daarom is er niets gedaan aan het originele neutrodynisatie syteem. Vaak blijkt dat neutrodynisatie niet nodig is na het aarden op één punt.
TE LANGE DRAAD OP 10m


De te lange draad vervangen door coaxkabel (RG213) zodat de lengte omgezet wordt in een kleine capaciteit parallel aan de load condensator.
Het formaat van de 10 m spoel is door de wijze van montage te klein geworden, omdat de zelfinductie van de lange toevoerdraden meedoen. In feite is het meer een strekkende draad met teveel zelfinductie dan spoel. Dat kan verbeterd worden door het stuk van de load condensator (C26) naar de bandschakelaar (S1) te vervangen door een evenlange coaxkabel. De afscherming van de kabel wordt alleen aan de kant van C26 geaard. Met deze methode is de afstand tussen S1 en C26 veranderd in een kleine capaciteit parallel aan de load condensator en de totale zelfinductie van de 10 m spoel is daardoor verminderd.
De afscherming aan de kant van de schakelaar wordt gebruikt om condensators C23, 24, 25 te aarden, zodat ook voor deze capaciteiten er een kortere weg is naar de load condensator.
Zonder deze verandering kon op 24.9, 28 en 29 MHz geen gelijke output verkregen worden. Dat werd mogelijk door de aangebrachte coaxkabel.
Verder was het beter geweest als de anodespoel een kwartslag naar links gemonteerd werd om de afstand tot de bandschakelaar te verkleinen. Optimaal is een aparte spoel voor 10 en 15 m.
Omdat er toch al aan de versterker gewerkt werd, zijn in één moeite door op 10 en 15 m de verbindingen van spoel naar de bandschakelaar vervangen door een rechtstreekse dikkere (6 mm²) draad. De exercities op 10 m hebben ertoe geleid dat het zendvermogen op die band met bijna 100 W verhoogd werd.
Ook de iele verbinding tussen anodes en koppelcondensators (C13, C31) werd aangepakt door een bredere flexible geleider te monteren onder het motto: baat het niet dan schaadt het niet.
INPUT CIRCUIT
Het input circuit kunt u afregelen op een favoriete band 20/30 m en 15/17 m, bij voorbeeld lage SWR op 15 en 20 m. Op de andere band zal de SWR hoog zijn en is een (interne) tuner nodig om volledige ouput te verkrijgen. Als vorige eigenaren al aan de kernen van de kringen gezeten hebben, draai ze dan linksom zodat ze de achterkant van de PA raken. Sluit de versterker aan op een dummyload en regel af op maximaal zendvermogen. Dus niet op een dip in de anodestroom. Met vier buizen parallel is de dip vrijwel niet meer te herkennen en het valt bijna nooit samen met maximaal output. De kern met de klok meedraaien tot u een lage SWR bereikt. Test en regel de SWR ook af op de andere banden.
Na het afregelen van deze gemodificeerde versterker was de SWR < 1.5.
811A VERVANGEN DOOR 572B?

Regelmatig zijn er discussies op forums over de vraag of 811A buizen beter vervangen kunnen worden door meer robuuste 572B's. Mijn voorkeur zou ook uitgaan naar het laatste omdat ik daar meer ervaring mee heb. Daarom werd met beide types een sumiere test gedaan. Het overzicht is enigzins vertekend omdat de SWR en dus de sturing bij de 572B's minder goed was dan met de origenele buizen.
Na elke modificaties werd de PA met zijn 811A's behoorlijk aan de tand gevoeld en het is nog niet voorgekomen dat de anodes rood werden. Mijn conclusie is dan ook dat, als men met een deskundige manier met de versterker omgaat, het geen zin heeft om de duurdere 572B's te plaatsen als de anodespanning ook niet tegelijkertijd verhoogd wordt. Meer vermogen puren uit de versterker lijkt niet verstandig als men bedenkt dat in een AL- 811A met 3 × 811A dezelfde HV transformator zit!
TOT SLOT
Na het beëindigen van de modificaties is het vermogen gemeten met een Bird wattmeter, 2500H (2.5kW) meetkop en Bird dummyload. De draagggolf sturing werd steeds op 100 W gehouden om een redelijke vergelijking mogelijk te maken. Houdt er rekening mee dat de output in de tabel mede verkregen is door de maximum rooster en anodestroom te overschrijden. Met SSB en door de aangebrachte tegenkoppeling zou men het afgebeelde zendvermogen als PEP veilig kunnen aanhouden, omdat de gemiddelde waarde lager is dan met een draaggolf.

Derde orde -33.55 dBm

Derde orde -33.56 dBm

Derde orde -3O.11 dBm

Derde orde -33.28 dBm

Derde orde -24.12 dBm
Enige beelden van een spectrumanalysator om een indruk te krijgen van het IMD gedrag van deze versterker. De onderdrukking van de derde orde harmonische is het verschil tussen marker 3D en 4D (of 2D en 1D). Er moet tevens vermeld worden dat de SDR stuurzender vrijwel hetzelfde IMD beeld vertoonde. Een voorzichtige conclusie is dat deze AL-811H het aangeboden signaal niet verslechtert.
![]()